ARD2F智能型電動機保護器在某水泥廠的應用
摘要:電動機設備是水泥企業中應用廣泛的動力裝置,而水泥生產企業屬于能耗高、污染大又需要設備連續不間斷工作的行業,電動機作為水泥行業設備的動力來源,其安全、穩定可靠的運轉對水泥行業的平穩生產起著至關重要的作用,本文綜合介紹安科瑞ARD2F智能型電動機保護器在某水泥廠的實際應用,并闡述了ARD2F智能型電動機保護器產品的特點及其智能化保護、測量、控制和通訊等,供工程設計中參考
關鍵詞:水泥、電動機保護、智能化、通訊
一、 引言
隨著現代化水泥工業生產規模擴大,生產設備也越來越大型化,因此所需用的拖動電動機的功率也越來越大。水泥廠生產工藝流程較復雜,可以總結水泥生產過程為生料制備(一磨)、熟料煅燒(一燒)、水泥粉磨(二磨)。因此,低壓電動機作為水泥生產過程中常用的機組,數量多、種類復雜,隨著科學技術的不斷進步和工藝控制過程的不斷完善,尤其是適應自動化生產要求,迫切需要開發和完善電動機的控制和保護設備,實現對整個自動化生產過程和大型機械設備的遙控、遙測、遙調、故障診斷以及集中控制等功能。
水泥生產是一項較龐大的工程,生產環境比較惡劣,粉塵污染嚴重,受生產工藝的限制使得其工作場所的通風條件差且環境溫度較高,而且需要設定大量的工作站點,包括原料控制站、破碎站、原料粉磨站、熟料庫控制站、水泥磨控制站、水泥包裝控制站等,然而在這些站點中使用了大量低壓電動機來控制其他設備的運行,運用簡單的電壓表、電流表、電能表和頻率表等由于受到通信功能不夠靈活、儀表功能單一等多種條件的約束,已經無法滿足電廠設備自動化生產的要求。水泥行業生產過程的特點為長周期運行,一旦開機,在沒有特殊情況發生的前提下,一般不會停機。現代化大型水泥企業年運轉率很高,這樣就需要有高質量的、高可靠性的電氣設備保證其生產過程的連續不間斷性,一旦故障停機就會造成巨大的經濟損失。智能型電動機保護器可實現重載起動,實現對電動機的溫度保護,還提供多種測控功能和控制模式,能夠滿足水泥生產過程對電機設備的整體保護及其控制要求,不僅能提高電機設備的運行能力、延長電機設備的使用壽命,同時也能提高企業生產效率、節約能源。本文以ARD2F智能型電動機保護器在水泥生產中的實際應用進行具體介紹。
二、水泥生產對保護器的功能要求
水泥行業電機是大容量、高負荷連續運轉的設備,電動機長期承受大負荷,就會使繞組上溫度上升過高而降低絕緣性能甚至損壞絕緣,縮短電動機的使用壽命,因此,對水泥生產過程中電機設備的可靠性、穩定性及功能要求非常高。在生產運行或設備檢修過程中,常見的電動機故障可分為以下幾種:
1、機械故障
1)掃膛:由于軸承損壞、軸彎或者檢修人員裝配不當,導致定轉子產生摩擦;
2)軸承損壞:由于軸承裝配不當、定/轉子鐵心軸向錯位或重新對轉軸機加工后精度不夠、電動機本體運行溫升過高等;
3)振動:由于電動機本身或傳動裝置不良等。
2、電氣故障
1)缺相運行:電動機發生堵轉時電流比正常工作的電流大得多。在此情況下,運行時間過長或過于頻繁起動,將會導致電動機繞組燒毀;
2)繞組短路或接地:匝間短路的主要原因是電機溫度異常升高而導致的,而接地故障大多是由于繞組絕緣損壞;
3)三相電流不平衡:由于電動機外部電源電壓不平衡或內部繞組匝間短路或電動機維修時線圈匝數錯誤或接線錯誤等。
因此,對某水泥廠電機設備進行合理的維護是很有必要的,對ARD2F智能型電動機保護器具體功能要求如下:
(1)完善的電機保護功能
保護器通過采集電路中的三相交流電流、三相交流電壓、剩余電流、PTC熱電阻阻值、電動機電能等電力參數,以及電動機運行過程中的各種運動狀態等信號,經保護器內部處理運算,從而實現對過載反時限、過載定時限、接地、起動超時、漏電、欠載、斷相、堵轉、阻塞、短路、溢出、不平衡(電流、電壓)、過功率、欠功率、過壓、欠壓、相序、溫度、tE時間、外部故障、起動次數限制、運行時間報警、故障次數報警等整體綜合保護,進而保證水泥廠生產工作的安全連續運行。
(2)及時排除電動機運行故障功能
水泥生產現場電動機運行過程中通過電動機保護器對電機設備進行檢測,當電動機出現狀況時應及時發出報警信號,并記錄故障信息,方便維護人員查找故障原因并作出及時的處理,保證故障發生時電機設備動作的可靠性和靈敏性。
(3)對現場各設備進行遠程監測功能
水泥生產現場環境比較惡劣,保護器不僅要提供電機設備的保護功能,而且要求能夠帶RS-485通訊接口,經過Modbus-RTU/Profibus-DP通訊協議與上位機管理系統進行通訊連接,實現實時監測電動機的運行狀態以及運行過程中的電力參數,保證后臺操作人員能讀取、修改水泥成產現場電動機保護器的各種整定參數并通過后臺人機界面實時觀察當前現場電動機控制回路的工作狀態、供電電源質量等,實現對生產現場設備遠程實時監控。
三、應用案例
水泥生產工藝流程較多,所以將保護器合理的應用于電動機保護設備控制回路的同時要能夠滿足水泥廠的大型控制系統的要求。某水泥廠控制系統通過Profibus DP通訊接口與PC機、接觸器、電動機以及其他設備構成控制系統,工程師通過監控計算機以及生產管理軟件完成對整個系統設備的數據采集、處理、顯示和監視功能,并在滿足權限和邏輯時,通過遠程控制軟件實現對現場相應的電機設備等的控制。
圖1 現場安裝照片
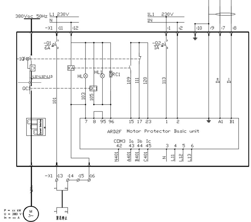
水泥廠采用保護器用于電機保護控制回路,取代熱繼電器等作為電動機的過載保護和控制元件,而且利用先進的通訊技術,實現了水泥生產中電機設備控制的自動化。通過將90L顯示模塊嵌入安裝在開關抽屜的活動面板內,來簡化水泥廠控制柜內接線,使得配電室內設備運行情況及故障狀態清晰可見,方便工程師隨時調整系統、設定參數和顯示、監控以及檢修維護。將ARD2F保護器應用于某水泥廠生產線電機設備的控制回路,實現水泥廠對電機保護的要求。如圖2是ARD2F智能型電動機保護器應用于某水泥廠電動機設備控制回路工作原理圖:
圖2 ARD2F智能型電動機保護器應用于某水泥廠電動機設備控制回路接線圖
由于現代水泥工廠采用的大型電機設備較多,大于110KW及以上的電機,均采用在主回路裝設電流互感器。考慮到水泥生產工藝的不同和企業投入的資金,電動機需要不同的起動方式,ARD2F智能型電動機保護器提供靈活的聯鎖功能,實現直接啟動、雙向啟動、星/三角啟動、自耦變壓器啟動等,使水泥廠大型設備的電機得到了合理保護和控制[2]。
四、ARD2F產品介紹
ARD2F智能電動機保護器適用于額定電壓至660V的低壓電動機回路,集保護、測量、控制、通訊、運維于一體。其完善的保護功能確保電動機安全運行,帶有邏輯可編程功能,可以滿足多種控制方式。可選配不同通訊模塊適應現場通訊需求。
該產品采用分體式結構,由主體、顯示單元、互感器組成,可適應各種柜體的安裝。
技術參數
功能特點
■ 支持基波和全波電力參數測量(U、I、P、Q、S、PF、F、EP、EQ),電流及電流不平衡度、電流正序、負序、零序分量、電壓、三相電壓相角、剩余電流。
■ 保護功能包括過載反時限、過載定時限、接地、起動超時、漏電、欠載、斷相、堵轉、阻塞、短路、溢出、不平衡(電流、電壓)、過功率、欠功率、過壓、欠壓、相序、溫度、tE時間、外部故障、起動次數限制、運行時間報警、故障次數報警。
■ 9路可編程DI輸入,默認采用內置DC24V電源,也可選擇外部有源濕接點。
■ 5路可編程DO輸出,滿足直接起動,星—三角起動,自耦變壓器起動,等多種起動方式,可通過通訊總線實現主站對電動機的遙控“起/!薄
■ 可選抗晃電功能:支持晃電立即再啟動、失壓重起動。
■ 可選配MODBUS_RTU通訊、PROFIBUS DP通訊,支持不超過2路通訊接口。
■ 可選配1路DC4-20mA模擬量輸出接口,與DCS系統相接,可實現對現場設備的監控。
■ 具有故障記錄、起動記錄、停車記錄、DI變位記錄和再起動記錄等各類事件記錄。
■ 顯示界面液晶顯示,支持中/英文切換。
五、結束語
隨著電子技術及通訊技術的不斷發展。電動機保護器也在朝著多元化方向發展,電動機保護器在水泥企業的應用也越來越廣泛,合理選擇電機設備的保護功能和保護方式,可提高設備運行的可靠性,能夠預防并杜絕電機燒毀,同時減少了因非計劃停車而造成的損失,降低了企業的生產成本。
參考文獻:
(1)企業微電網設計與應用手冊.2020.6
(2)GB 14048.4-2020 《低壓開關設備和控制設備第4-1部分:接觸器和電動機起動器機電式接觸器和電動機起動器(含電動機保護器)》
(3)JB/T 10736-2007 《低壓電動機保護器》




掃一掃添加微信